Нержавеющие станции дозирования реагентов
100% гарантия поставок
Гарантия на оборудование от 1 года
ПНР и ШМР, обучение сотрудников
Полная таможенная очистка товара
Нержавеющие станции дозирования представляют собой технический комплекс, задача которого заключается в подаче установленного объёма химических составов за определённый период времени. Такие установки используются в многочисленных сферах, к примеру, для обработки воды и водоподготовки внутри тепловых пунктов. Аппараты-дозаторы активно применяют во многих промышленных отраслях: химическая, нефтеперерабатывающая, пищевая и прочие. По большей части все комплексы являются автоматическими.
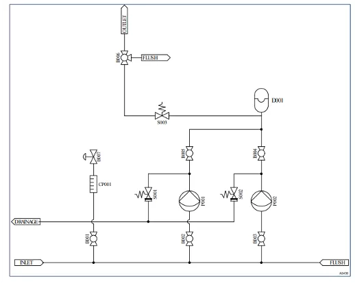
Автоматические установки состоят из таких элементов:
1. Дозирующий насос – гарантирует подачу определённого объёма вещества в воду;
2. Расходный бак – предназначен для содержания в себе химических реагентов;
3. Комплекс датчиков – отображают уровень воды и остаточный объём химических веществ;
4. Механизм для подачи воды со шлангами – необходим для монтажа станции на производственном участке и подсоединения к ней воды.
Автоматические установки состоят из таких элементов:
1. Дозирующий насос – гарантирует подачу определённого объёма вещества в воду;
2. Расходный бак – предназначен для содержания в себе химических реагентов;
3. Комплекс датчиков – отображают уровень воды и остаточный объём химических веществ;
4. Механизм для подачи воды со шлангами – необходим для монтажа станции на производственном участке и подсоединения к ней воды.
Чтобы приобрести понравившийся товар, необходимо его заказать. Есть несколько сценариев того, как это можно сделать.
- Выбрать понравившийся товар и нажать кнопку «Заказать». При оформлении заказа заполнить форму. Вписать информацию в поля: ФИО, телефон и e-mail. Затем вам перезвонит менеджер, чтобы подтвердить ваше согласие на совершение покупки.
- Выбрать понравившийся товар и нажать кнопку «В корзину». Затем перейти в корзину и нажать «Оформить заказ». Далее заполнить форму с контактными данными и отправить заявку. С вами свяжется менеджер для дальнейшего обсуждения.
- Перейти в карточку товара и нажать «Купить в один клик». После нажатия нужно заполнить форму и отправить заявку. С вами свяжется менеджер для дальнейшего обсуждения.